Zalo: 0913771002, 0786583272
Hỗ trợ trực tuyến:
Danh mục Sản Phẩm
Thống kê truy cập

Đang online: 249

Hôm nay: 2938

Tổng truy cập: 33,400,592

Tổng sản phẩm: 4499

Tiêu chuẩn mặt bích Din

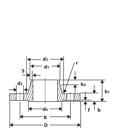
Tiêu Chuẩn Din 2627 PN 400

375x450xdin_2627_2628_2629.gif.pagespeed.ic.GQZ2njKRRM.png

DIN 2627 PN 400 (in mm)

Nominal Pipe Size

Diameter at weld Bevel

Flange Dia

Thk of Flange

Dia of Bolt Circle

Length Through Hub

Dia of Hub

Wall Thk

Radius of Hub

Straight Portion

Dia of R/F

Thk of R/F

No. of

Dia of Bolt Holes

 

DN

D1

D

B

K

H1

D3

S

R

H2

D4

F

holes

D2

KG

10

17.20

125

28

85

65

48

3.60

4

8

40

2

4

18

2.50

15

26.90

145

30

100

68

56

5.00

4

8

45

2

4

22

3.57

25

42.40

180

38

130

90

82

7.10

4

10

68

2

4

26

7.35

40

60.30

220

48

165

110

106

10.00

6

12

88

3

4

30

13.93

50

76.10

235

52

180

120

120

12.50

6

15

102

3

8

30

16.50

65

101.60

290

64

225

135

158

16.00

6

18

122

3

8

33

31.33

80

114.30

305

68

240

150

174

17.50

8

20

138

3

8

33

37.99

100

139.70

370

80

295

175

215

22.20

8

25

162

3

8

39

66.77

125

193.70

415

92

340

200

258

30.00

8

30

188

3

12

39

94.73

150

219.10

475

105

390

225

302

35.00

10

35

218

3

12

42

144.85

200

273.00

585

130

490

280

388

40.00

10

40

285

3

16

48

269.50