Chi tiết
Quạt ly tâm hút bụi CPL -7- No
Loại:
Quạt Ly Tâm Trung Áp
Mô tả sản phẩm:
|
Tên sản phẩm: Nhà sản xuất: Model: Công suất: Lưu lượng: Áp suất: Vật liệu:
|
Quạt hút bụi PHƯƠNG LINH CPL -7-No 0,75kw-30kw 3000 -22000 m3/h 210 - 360 mmH2O
CT3, Inox
|
ĐẶC TRƯNG SẢN PHẨM
CPL - 7- NoI là loại quạt ly tâm có kết cấu cánh hở (không có đĩa cánh) và cấu tạo đặc biệt, giúp làm giảm các sự tích tụ của bụi vào cánh quạt, gây mất cân bằng cánh quạt, đảm bảo quạt chạy ổn định, không rung, độ bền cao.
ỨNG DỤNG
Quạt thường được sử dụng để hút bụi, vận chuyển các loại bụi có kích thước lớn và phát sinh nhiều bụi như bụi xi măng, phôi bào, mùn cưa... và được lắp trước hoặc sau các thiết bị hút lọc bụi xử lý môi trường.
Giá:
Liên hệ
Thông sô kĩ thuật
|
Model
|
Phi cánh
|
Công suất
|
Tốc độ
|
Điện áp
|
Lưu lượng
|
Cột áp
|
Giá thành
|
| |
(mm)
|
( Kw)
|
(V/P)
|
( V )
|
(M3/H)
|
mmH2O
|
|
CPL-7-5I
|
500
|
7.5
|
2200
|
380
|
3000-6500
|
260-220
|
|
| |
500
|
11
|
2400
|
380
|
4000-8000
|
300-250
|
|
|
CPL- 7-6I
|
600
|
11
|
1800
|
380
|
4000-10000
|
260-210
|
|
| |
600
|
15
|
1950
|
380
|
5000-12000
|
300-220
|
|
|
CPL-7-8I
|
800
|
15
|
1200
|
380
|
6000-13000
|
200-160
|
|
| |
800
|
22
|
1450
|
380
|
7000-17000
|
300-250
|
|
| |
800
|
30
|
1600
|
3800
|
8000-22000
|
360-280
|
|
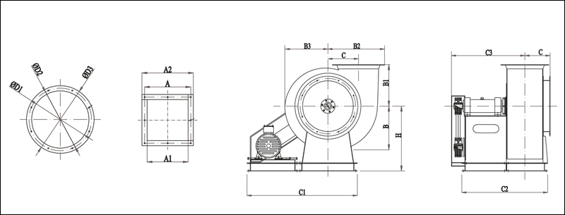
Kích thước chi tiết
|
Model
|
B1
|
B2
|
B3
|
B4
|
C1
|
C1'
|
C2
|
C2'
|
C3
|
L
|
H
|
D1
|
D2
|
D3
|
A1
|
A2
|
A3
|
|
CPL-7-5I
|
200
|
750
|
280
|
360
|
1000
|
940
|
760
|
730
|
159
|
250
|
530
|
300
|
335
|
370
|
310
|
350
|
390
|
|
CPL- 7- 6I
|
300
|
892
|
345
|
440
|
1200
|
1140
|
820
|
790
|
189
|
300
|
645
|
360
|
400
|
440
|
370
|
420
|
470
|
|
CPL- 7- 8I
|
400
|
1205
|
450
|
580
|
1500
|
1440
|
1030
|
1000
|
250
|
400
|
820
|
480
|
520
|
520
|
490
|
540
|
590
|
.jpg)