Chi tiết
Quạt hút âm trần nối ống gió DPLS
Loại:
Quạt hút âm trần nối ống Nanyoo
Mô tả sản phẩm:
|
Tên sản phẩm: Xuất xứ: Model: Công suất: Điện áp: Lưu lượng: Cột áp: Vật liệu:
|
Quạt ly tâm nối ống gió China DPấ 62w – 255w 220v/50Hz 285 – 2000 m3/h 31 - 72mm H2O Nhựa ABS, PP, thép
|
ĐẶC ĐIỂM CỦA SẢN PHẨM:
Là loại quạt đặc biệt có lưu lượng nhỏ áp suất cao độ ồn rất thấp chuyên dùng lắp nối ống phục vụ thông gió cho các tòa nhà, văn phòng, trung tâm thương mại, phục vụ hút khí thải, cấp khí tươi cho điều hòa trung tâm và những nơi khác cần lực hút khỏe độ ồn thấp. Loại quạt này được chế tạo bằng thép, nhựa ABS hoặc PP nên có độ bền cao và chịu được môi trường khắc nghiệt.
Đặc biệt với dòng sản phẩm này có loại quạt có tới 2 cấp tốc độ nên rế dàng cho việc điều chỉnh lưu lượng và áp suất khi cần.
Đây là sản phẩm do công ty Phương Linh nhập khẩu, phân phối độc quyền và bảo hành trực tiếp tại Việt Nam nên chất lượng luôn đảm bảo và được bảo hành dài hạn.
Sản phẩm đã được Tổng cục tiêu chuẩn đo lường chất lượng kiểm định và cấp giấy chứng nhận Hợp Qui trước khi đưa ra thị trường.
Giá:
Liên hệ
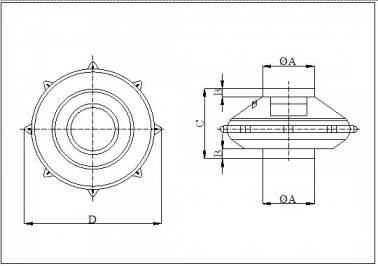
THÔNG SỐ KỸ THUẬT:
| MODEL |
Phi ống |
Công suất |
Tốc độ |
Điện áp |
Lưu lượng |
Côt áp |
Độ ồn
|
Kích thước cơ bản |
| (mm) |
(W) |
(v/p) |
(V/Hz) |
(m3/h)
|
(mmH2O) |
(dB) |
A |
B |
C |
D |
| DPLS-100 |
100 |
62/65 |
2590 |
220/50 |
285-295 |
33.5-34.6 |
51 |
100 |
25 |
150 |
190 |
| DPLS-125 |
125 |
65/70 |
2540 |
220/50 |
375-391 |
31-31.5 |
52 |
125 |
25 |
150 |
190 |
| DPLS-150 |
150 |
92 |
2375 |
220/50 |
685-696 |
33-34 |
52 |
150 |
25 |
170 |
330 |
| DPLS-160 |
160 |
125 |
2580 |
220/50 |
850-900 |
35.5-36.6 |
53 |
160 |
25 |
170 |
330 |
| DPLS-200 |
200 |
138/140 |
2145 |
220/50 |
900-950 |
60-65 |
55 |
200 |
25 |
170 |
340 |
| DPLS-250 |
250 |
165 |
2180 |
220/50 |
1100-1300 |
57-61 |
55 |
250 |
25 |
170 |
340 |
| DPLS-305 |
305 |
215 |
2410 |
220/50 |
1800-1900 |
65-68 |
56 |
305 |
25 |
200 |
400 |
| DPLS-315 |
315 |
215/255 |
3275 |
220/50 |
1850-2000 |
69-72 |
59 |
315 |
25 |
200 |
400 |
BẢN VẼ KỸ THUẬT
