Chi tiết
Quạt hướng trục đặc biệt APL-6-No
Loại:
Quạt hướng trục tròn trực tiếp
Mô tả sản phẩm:
|
Tên sản phẩm: Xuất xứ: Model: Công suất: Điện áp: Lưu lượng: Cột áp: Truyền động: Vật liệu:
|
Quạt hướng trục đặc biệt Việt Nam APL-6-No 0,37Kw – 15Kw 220V – 380V 3000 – 72.000 m3/h 14 – 50 mm H2O Trực tiếp Thép CT3, Inox
|
ĐẶC ĐIỂM CỦA SẢN PHẨM:
Quạt thông gió hướng dòng- hỗn hợp là loại kết hợp giữa quạt hướng trục và quạt ly tâm. Nó là sự chắt lọc những ưu điểm của hai loại quạt trên. Với điều kiện có cùng công suất thì loại quạt này có lưu lượng lớn hơn quạt ly tâm và áp lực lớn hơn quạt hướng trục thông thường. Loại quạt này ứng dụng rộng rãi trong việc thông gió và hút khí thải cho các tòa nhà, khách sạn, các công trình kiến trúc có diện tích rộng và độ cao, ngoài ra nó cũng có thể được sử dụng cho ngành khai thác khoáng sản
Giá:
Liên hệ
THÔNG SỐ KỸ THUẬT:
|
Model
|
Φ cánh
|
Công Suất
|
Tốc độ ĐC
|
Điện áp
|
Lưu lượng
|
Cột áp
|
Giá thành
|
|
(mm)
|
(Kw)
|
(v/p)
|
(V)
|
m3/h
|
mmH20
|
|
APL-6-4
|
400
|
0,55
|
1330
|
380
|
3000-4300
|
21-14
|
|
|
APL-6-4,5
|
450
|
0,75
|
1330
|
380
|
3400-4500
|
27-20
|
|
|
APL-6-5
|
500
|
1,1
|
1440
|
380
|
5200-7400
|
33-22
|
|
|
APL-6-6
|
600
|
1,5
|
1440
|
380
|
8100-10000
|
32-20
|
|
|
APL-6-7
|
700
|
3
|
960
|
380
|
12000-19000
|
47-33
|
|
|
APL-6-8
|
800
|
4
|
960
|
380
|
19000-25000
|
38-19
|
|
|
APL-6-9
|
900
|
5,5
|
960
|
380
|
27000-34000
|
43-28
|
|
|
APL-6-10
|
1000
|
7,5
|
970
|
380
|
36000-44000
|
37-28
|
|
|
APL-6-11
|
1100
|
11
|
970
|
380
|
43000-49000
|
37-31
|
|
|
APL-6-12
|
1200
|
15
|
970
|
380
|
57000-65000
|
50-43
|
|
|
APL-6-13
|
1300
|
15
|
970
|
380
|
64000-72000
|
51-44
|
|
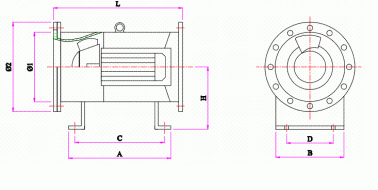
KÍCH THƯỚC CHI TIẾT:
|
Model
|
A
|
B
|
C
|
D
|
1
|
2
|
L
|
H
|
|
APL-6-4
|
370
|
300
|
300
|
250
|
410
|
480
|
400
|
270
|
|
APL-6-4,5
|
330
|
300
|
260
|
250
|
460
|
540
|
420
|
290
|
|
APL-6-5
|
430
|
400
|
350
|
300
|
510
|
590
|
480
|
320
|
|
APL-6-6
|
430
|
500
|
350
|
400
|
610
|
690
|
550
|
380
|
|
APL-6-7
|
450
|
600
|
350
|
500
|
710
|
790
|
620
|
430
|
|
APL-6-8
|
530
|
600
|
430
|
500
|
810
|
900
|
730
|
490
|
|
APL-6-9
|
680
|
700
|
580
|
600
|
910
|
1000
|
750
|
550
|
|
APL-6-10
|
750
|
700
|
650
|
600
|
1010
|
1100
|
870
|
600
|
|
APL-6-11
|
750
|
830
|
650
|
730
|
1120
|
1220
|
870
|
650
|
|
APL-6-12
|
820
|
960
|
720
|
860
|
1200
|
1320
|
1050
|
700
|
|
APL-6-13
|
780
|
1000
|
680
|
900
|
1322
|
1440
|
980
|
760
|
